Commodity details
- Product name:N Type Male Connector Straight Terminal Load
- product number:EB-006-0156
- Shop:BEEelec Official Store
- weight:0gram
- Shelf time:2020-12-24 17:50:53
Features:
- N typeㄛmaleㄛstraightㄛstandardㄛ50次ㄛterminal load ㄛcopperㄛnickel plating
- Great performance with DC to 11GHz Frequency and 50 ohm impedance;
- Threaded coupling mechanism ensure durability and stability for vibration application;
- Medium size used in military, industry or consumption electronic area, etc;
- High Quality with 30 days 100% Money back;
- From the OEM Original Factory, same quality with much better price.
Main Application of N?Connectors:
- Aerospace and Defense: Radar Equipment
- Medical: Ablation equipment
- Commercial Vehicle: Bluetooth and GPS
- Telecommunications: Antennas, Base Stations, Passive/Active Base Station Components, Telecommunication hardware
- Data/Communications: Broadcast Electronics, Wifi
- Industrial: Machine to Machine Communications

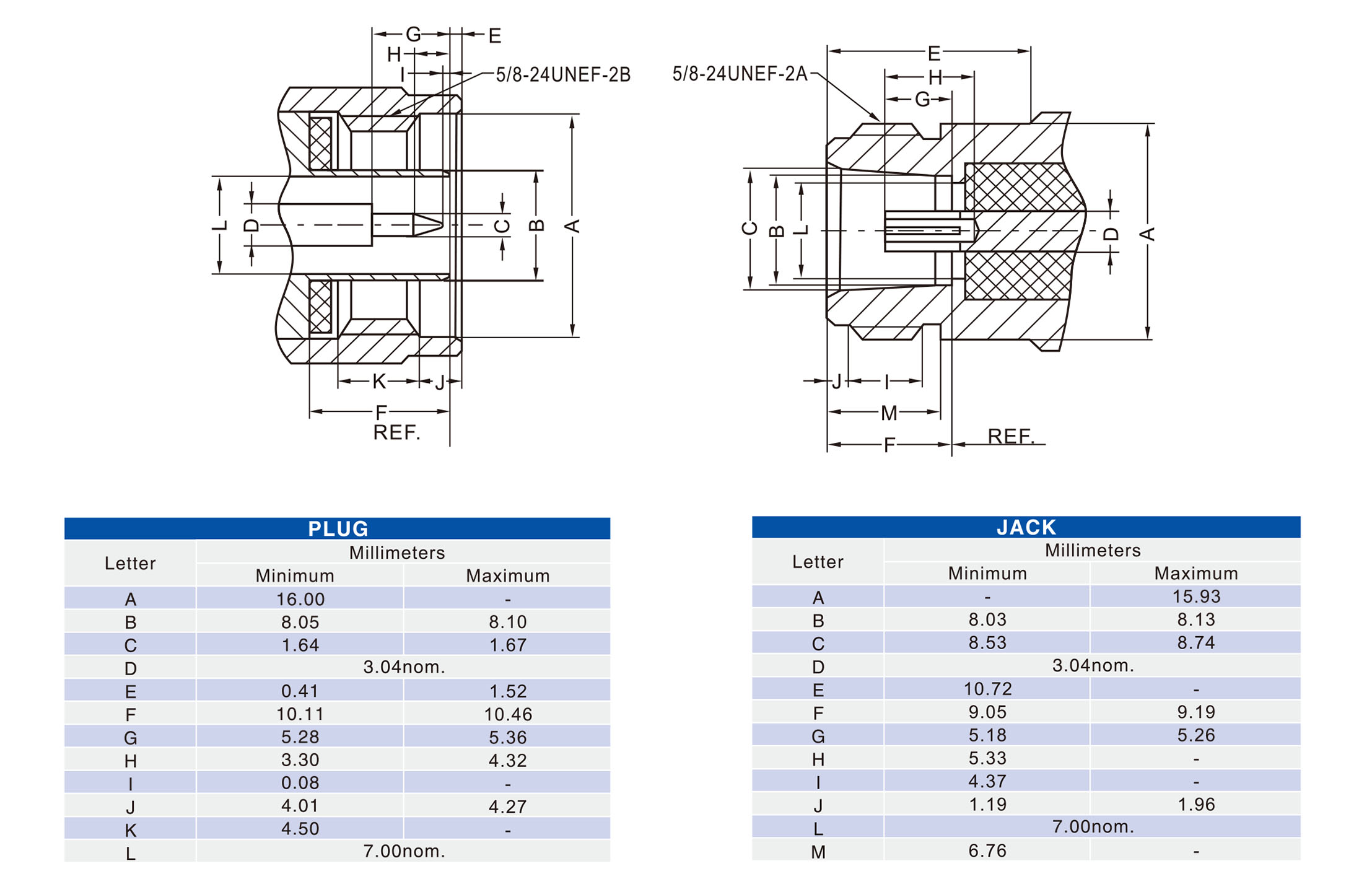
Techinial Datasheet:
Electrical Characteristics
- Impedanceㄩ50 ohm
- Frequency Range: 0~6 Ghz
- VSWR: Straight type 汨 1.3max / R/A type 汨 1.5max?
- Dielectric Withstanding Voltage: 2500 V rms?
- Working Voltage: 1000 V rms?
- Center Contact Resistance 汨 1.0 m次 ?(Milliohms max.)?
- Outer Contact Resistance 汨 0.2 m次 ?(Milliohms max.)?
- Insultation Resistance 沖 5 x 103 m次 (Megohms min.)
Mechanical Characteristics
- Coupling: 5/8-24 thread
- Contact Retention: 6 lbs min.
- Coupling nut torque: 30 in-lbs. min.
- Durability(mating) 沖 500 cycles (For Beryllium Copper Contact)
Environmental Characteristics
- Temprature Range: -55~C ~ +155~C ( PE Cable-40~C ~ +85~C )
- Vibration: MIL-STD-202 Meth.204
- Corrosion resistance: MIL-STD-202 Meth. 101
Material:
| Part | Material | Finish |
| Body | Brass | Nickel?Plated |
| Center Contact | Brass | Gold Plated |
| Insulator | PTFE | -- |
Drawing:

Our Cooperated Connector Factory:


Comments